Home
about us
返回
products
返回
pvc granules
modified engineering plastics
special plastics
news
返回
Company News
Industry News
messages
返回
contact us
返回
none
news
Company News
Industry News
您当前的位置:
主页
>
english
>
news
【Industry News】
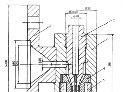
UPVC fishing buoy extruder head
2021-06-03
UPVC fishing buoys are a kind of fishing gear used by coastal fishermen for marine operations. They ...
【Company News】
JiaHong Plastics will attend K 2019 in Dusseldorf on 16 to 2
2021-06-03
...
【Company News】
JiaHong Plastics in K 2019 in Dusseldorf on 16 to 23 October
2021-06-03
...
【Industry News】
How to optimize the injection molding process and improve th
2021-06-03
Electroplated PC / ABS modified plastic parts are widely used in automobiless, home appliances and ...
【Company News】
"Modified Plastics Expert" Jiahong Plastics: Techn
2021-06-03
Modified Plastics Expert Jiahong Plastics: Technology Innovation Creates High-Performance Modified P...
首页
上一页
2
3
4
5
6
7
8
9
10
11
12
下一页
末页
products
pvc granules
modified engineering plastics
special plastics
news
Company News
Industry News
messages
contact us
Scan our WeChat official account
旋乐吧SPIN8